The oscilloscope type 1536 is used in servicing, by amateurs, and in education. Its small dimensions and low weight allow it to be carried in hand luggage. The cathode-ray tube has a useful screen area of 4.8 × 6 cm. The instrument has one vertical channel and a time-base generator. The separate X-input also makes X-Y deflection possible (Lissajous figures). The special trigger circuit ensures easy operation.
I found this little oscilloscope in a shop – its price was €40. The original owner had received it as a gift and never used it, so it’s a well-preserved and interesting collector’s item. According to the labels, the device belongs to the German Conrad Electronic / Voltcraft brand group, but if you take it apart, you can see Hungarian (and some Soviet) components inside. It was not made in Germany; it was manufactured by the Hungarian Elektronikus Mérőkészülékek Gyára (EMG, “Factory of Electronic Measuring Instruments”) as subcontract work for a German order.
This is a modest-capability oscilloscope intended for amateur use. According to the EMG catalogue, it is rated at 5 MHz, but on the German datasheets it is listed only as 1 MHz. It was one of the attempts by the factory management to save the company from bankruptcy. The effort failed, and in 1991 the company was liquidated at the initiative of the tax authority due to its heavy debts.
This may have been one of the last instruments manufactured by the famous factory in Sashalom.


Technical data
| Cathode-ray tube: | DG 7-132 |
| Screen area: | 8×10 div (1 div = 6 mm) |
| Vertical deflection | |
| Input coupling: | AC, DC |
| Input impedance: | 1 MΩ || 40 pF |
| Bandwidth: | DC … 1 MHz (-3 dB) |
| Rise time: | 350 ns |
| Sensitivity: | 100 mV…10 V/div |
| Range of continuous adjustment: | 1:10 |
| Accuracy: | 5% |
| Triggering: | intern, 1 div |
| Horizontal deflection | |
| Input impedance: | 1 MΩ || 40 pF |
| Bandwidth: | 10 Hz…1 MHz (-3 dB) |
| Sensitivity: | 100 mV/div |
| Time-base generator: | 1 μs/div…100 ms/div |
| Range of continuous adjustment: | 1:10 |
| Power supply: | 220 V, 50 Hz, 28 VA |
| Dimensions: | 183×85×200 mm |
| Weight: | 1,8kg |
The Hungarian version
Ezek a képek egy cseh internetes hirdetésből vannak, 2023-ban 509 cseh koronáért (≈ €21) kelt el. Mint látható a műszert vajszínű előlappal és saját logójával is gyártotta az EMG, “Made in Hungary” felirattal a hátulján.


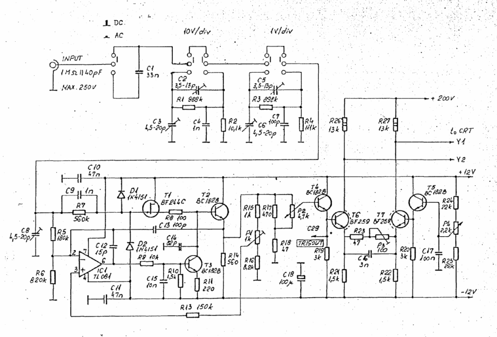
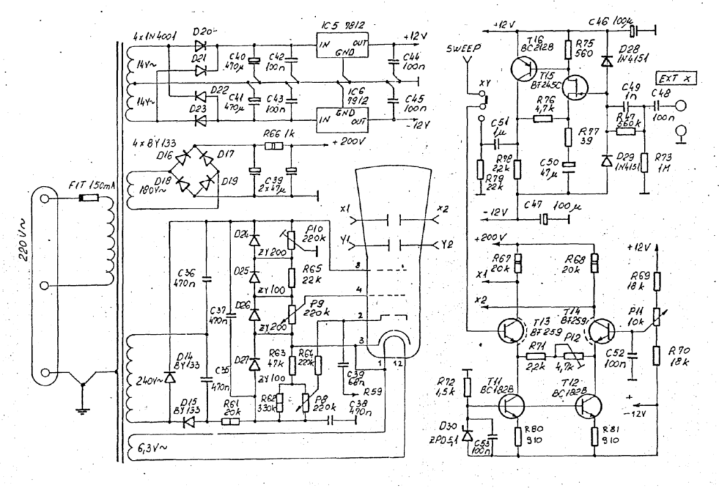
Shematic diagram


